Thành phố điện tử

Động cơ trung tâm phía sau C-Type R350

Động cơ trung tâm phía sau C-Type R350, được thiết kế cho xe đạp điện tử trong thành phố, cung cấp dải công suất định mức 250-400W và hỗ trợ luồng đơn hoặc 7 tốc độ trên Freewheel. Tương thích với các hệ thống 36V hoặc 48V, nó cung cấp hiệu suất ổn định với mức chống nước lên đến IP65. Động cơ có mô-men xoắn 45Nm và trang bị bánh răng thép nhựa bền bỉ được cấp bằng sáng chế HT, lý tưởng cho việc dừng và khởi động thường xuyên trong môi trường đô thị và các ứng dụng phanh điện tử.

Thông số chính
Cấu trúc động cơ: Điện áp định mức (V): Công suất định mức (W):
Động cơ trung tâm dẫn động phía sau 36-48 250-400
Mô-men xoắn cực đại (N.m.): Trọng lượng (KG): CŨ (mm):
45 3 137
thông tin chi tiết
  • Động cơ trung tâm phía sau C-Type R350
  • Động cơ trung tâm phía sau C-Type R350
Ningbo Yinzhou HENTACH Electromechanical Co., Ltd. Product Parameters Ningbo Yinzhou HENTACH Electromechanical Co., Ltd. Drawing Ningbo Yinzhou HENTACH Electromechanical Co., Ltd. Contact Us

Dữ liệu cốt lõi

Công suất định mức 250-400
Điện áp định mức 36-48
Đường kính bánh xe 20-28
Phạm vi tốc độ 25-38
mô-men xoắn tối đa 45
Tỷ số truyền 4.43
Trọng lượng (KG) 3

Thông số cài đặt

phanh phanh đĩa
Hộp cảm biến mô-men xoắn Không
Tuyến cáp Trục trung tâm bên phải
Lỗ nói 2-18-Ф3.2
Đánh giá chống thấm nước IP54(Tối đa IP65)
Bánh đà/Bánh xích Quay 7 tốc độ
Chứng chỉ TUV/EN15194/RoHS/UL1004-1

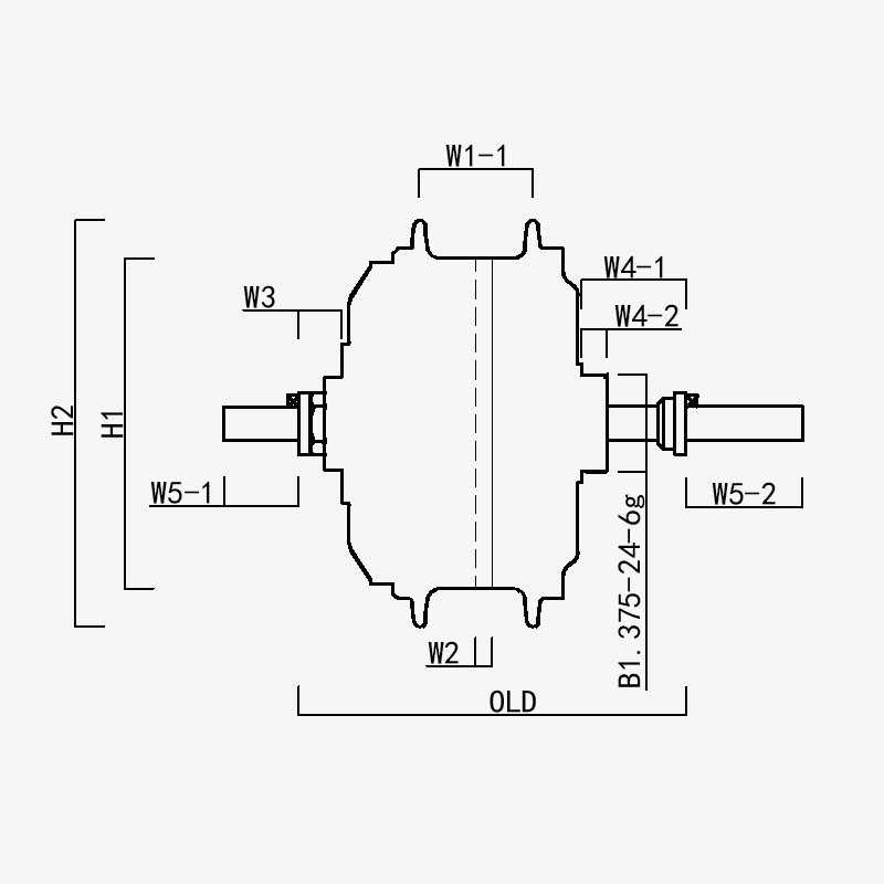
H1/OD: 117
H2/OD động cơ: 144
W1(-1/-2): 40
W2: 5.9
W3: 15.2
W4(-1/-2): 37/9
W5(-1/-2): 26,5/41,5
CŨ: 137
Chiều dài trục: 205
Ningbo Yinzhou HENTACH Electromechanical Co., Ltd.
liên hệ với chúng tôi
  • Gửi và gửi
Ningbo Yinzhou HENTACH Electromechanical Co., Ltd.
ĐIỀU GÌ KHÁC BIỆT CHÚNG TÔI
  • Trọng lượng chỉ 3kg và mô-men xoắn có thể đạt tới 45NM.

  • Bánh răng thép nhựa được cấp bằng sáng chế: mô-men xoắn gấp 5 lần bánh răng nylon; tuổi thọ lớn hơn 40.000 km; hậu mãi thấp hơn

  • Được trang bị bánh đà quay 7 cấp, độ mở bánh răng 137mm, được thiết kế cho c-city

CHÚNG TÔI LÀ AI Hơn 20 năm về kinh nghiệm sản xuất.

Ningbo Yinzhou HENTACH Electromechanical Co., Ltd. (Trước đây là Hengtai Motor) Được thành lập vào năm 1995 và trước đây gọi là "Hengtai Motor" (tên tiếng Trung của công ty chúng tôi), chúng tôi chính thức lấy tên tiếng Anh là "HENTACH Motor" vào năm 2020. Cả hai tên này đều đại diện cho cùng một nhà sản xuất đáng tin cậy dành riêng cho đổi mới cơ điện trong hơn 30 năm. Chuyên đúc và xử lý chính xác động cơ DC cỡ nhỏ, động cơ trung tâm điện/xe máy và hợp kim nhôm-magie cho xe điện, chúng tôi kết hợp hệ thống kiểm soát chất lượng ISO 9001 nghiêm ngặt, phương pháp quản lý hoàn thiện và thiết bị thử nghiệm/sản xuất tiên tiến để cung cấp các giải pháp đáng tin cậy.

Với khả năng sản xuất toàn diện từ khâu đúc nguyên liệu thô đến giao sản phẩm cuối cùng, chúng tôi phục vụ nhiều thị trường đa dạng, bao gồm xe đạp điện, xe vận chuyển hàng hóa, xe tự hành AGV, xe golf, máy móc nông nghiệp và xe đua điện. Khu phức hợp rộng hơn 9.000 m² (diện tích xây dựng 5.000 m²) của chúng tôi sở hữu hơn 60 thiết bị sản xuất tiên tiến, bao gồm máy đúc áp lực 500 tấn, máy công cụ CNC chính xác, hệ thống khắc laser, dây chuyền oxy hóa hồ quang vi mô và hai hệ thống thử nghiệm động cơ xe điện chuyên dụng. Cơ sở hạ tầng này đảm bảo sản xuất hiệu quả và tuân thủ nghiêm ngặt các tiêu chuẩn chất lượng quốc tế.

Tại HENTACH (Hengtai), chúng tôi ưu tiên sử dụng vật liệu chất lượng cao và công nghệ độc quyền—thiết bị thép nylon được cấp bằng sáng chế của chúng tôi là minh chứng cho sự xuất sắc về mặt kỹ thuật của chúng tôi. Để xác nhận độ bền, chúng tôi đã từng triển khai chương trình bảo đảm số km đi được cho những động cơ có quãng đường vượt quá 30.000 dặm. Kết quả? Hơn 50 động cơ không chỉ đáp ứng tiêu chuẩn này mà còn vượt qua nó, trong đó có một số chiếc đạt quãng đường ấn tượng 50.000 dặm. Hiệu suất thực tế này phản ánh sự tập trung không ngừng của chúng tôi vào độ tin cậy và thúc đẩy chúng tôi liên tục đổi mới để có các giải pháp động cơ thông minh hơn, mạnh mẽ hơn.​
Hãy tin tưởng vào thương hiệu nổi tiếng toàn cầu như Hengtai Motor và HENTACH Motor—nơi cải tiến bánh răng thép được cấp bằng sáng chế đáp ứng được độ bền đã được chứng minh.

Được chứng nhận bởi Chứng chỉ