eMTB / Hàng hóa điện tử

Động cơ trung tâm phía sau E-Type RF500

Động cơ trung tâm phía sau E-Type RF500 được thiết kế cho xe đạp E-Cargo và E-MTB, tương thích với hệ thống 36V/48V. Nó cung cấp công suất định mức 500-750W và mô-men xoắn trên 75Nm, xử lý các địa hình phức tạp và tải nặng một cách dễ dàng. Động cơ hỗ trợ bánh xe 20-28 inch, chỉ nặng 4,2kg và có khoảng cách 100mm với tỷ số truyền 5,4. Thiết kế này tối ưu hóa công suất mô-men xoắn, đảm bảo khả năng tăng tốc mượt mà ở tốc độ thấp và cải thiện hiệu quả.

Thông số chính
Cấu trúc động cơ: Điện áp định mức (V): Công suất định mức (W):
Động cơ trung tâm dẫn động phía sau 36-48 250-500
Mô-men xoắn cực đại (N.m.): Trọng lượng (KG): CŨ (mm):
75 4.2 135
thông tin chi tiết
  • Động cơ trung tâm phía sau E-Type RF500
  • Động cơ trung tâm phía sau E-Type RF500
Ningbo Yinzhou HENTACH Electromechanical Co., Ltd. Product Parameters Ningbo Yinzhou HENTACH Electromechanical Co., Ltd. Drawing Ningbo Yinzhou HENTACH Electromechanical Co., Ltd. Contact Us

Dữ liệu cốt lõi

Công suất định mức 250-500
Điện áp định mức 36-48
Đường kính bánh xe 20-28
Phạm vi tốc độ 25-38
mô-men xoắn tối đa 75
Tỷ số truyền 5.4
Trọng lượng (KG) 4.2

Thông số cài đặt

phanh phanh đĩa
Hộp cảm biến mô-men xoắn Không
Tuyến cáp Trục trung tâm bên phải
Lỗ nói 2-18-Ф3.2
Đánh giá chống thấm nước IP54(Tối đa IP65)
Bánh đà/Bánh xích Máy bay quay 7 tốc độ/Kafei(OLD142)
Chứng chỉ TUV/EN15194/RoHS

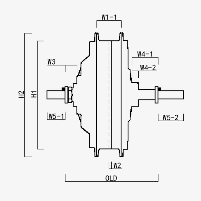
H1/OD: 157
H2/OD động cơ: 180
W1(-1/-2): 36
W2: 3.75
W3: 15.2
W4(-1/-2): 38/9,5
W5(-1/-2): 26/37
CŨ: 135
Chiều dài trục: 198
Ningbo Yinzhou HENTACH Electromechanical Co., Ltd.
liên hệ với chúng tôi
  • Gửi và gửi
Ningbo Yinzhou HENTACH Electromechanical Co., Ltd.
ĐIỀU GÌ KHÁC BIỆT CHÚNG TÔI
  • Động cơ trung tâm dẫn động cầu sau mạnh mẽ, độ mở bánh răng 135mm, công suất định mức lên tới 500w

  • Bánh răng thép nhựa được cấp bằng sáng chế: mô-men xoắn gấp 5 lần bánh răng nylon; tuổi thọ lớn hơn 40.000 km; hậu mãi thấp hơn

  • Mô-men xoắn dừng lên tới 75NM, được thiết kế đặc biệt cho eMTB/Cargo.

CHÚNG TÔI LÀ AI Hơn 20 năm về kinh nghiệm sản xuất.

Ningbo Yinzhou HENTACH Electromechanical Co., Ltd. (Trước đây là Hengtai Motor) Được thành lập vào năm 1995 và trước đây gọi là "Hengtai Motor" (tên tiếng Trung của công ty chúng tôi), chúng tôi chính thức lấy tên tiếng Anh là "HENTACH Motor" vào năm 2020. Cả hai tên này đều đại diện cho cùng một nhà sản xuất đáng tin cậy dành riêng cho đổi mới cơ điện trong hơn 30 năm. Chuyên đúc và xử lý chính xác động cơ DC cỡ nhỏ, động cơ trung tâm điện/xe máy và hợp kim nhôm-magie cho xe điện, chúng tôi kết hợp hệ thống kiểm soát chất lượng ISO 9001 nghiêm ngặt, phương pháp quản lý hoàn thiện và thiết bị thử nghiệm/sản xuất tiên tiến để cung cấp các giải pháp đáng tin cậy.

Với khả năng sản xuất toàn diện từ khâu đúc nguyên liệu thô đến giao sản phẩm cuối cùng, chúng tôi phục vụ nhiều thị trường đa dạng, bao gồm xe đạp điện, xe vận chuyển hàng hóa, xe tự hành AGV, xe golf, máy móc nông nghiệp và xe đua điện. Khu phức hợp rộng hơn 9.000 m² (diện tích xây dựng 5.000 m²) của chúng tôi sở hữu hơn 60 thiết bị sản xuất tiên tiến, bao gồm máy đúc áp lực 500 tấn, máy công cụ CNC chính xác, hệ thống khắc laser, dây chuyền oxy hóa hồ quang vi mô và hai hệ thống thử nghiệm động cơ xe điện chuyên dụng. Cơ sở hạ tầng này đảm bảo sản xuất hiệu quả và tuân thủ nghiêm ngặt các tiêu chuẩn chất lượng quốc tế.

Tại HENTACH (Hengtai), chúng tôi ưu tiên sử dụng vật liệu chất lượng cao và công nghệ độc quyền—thiết bị thép nylon được cấp bằng sáng chế của chúng tôi là minh chứng cho sự xuất sắc về mặt kỹ thuật của chúng tôi. Để xác nhận độ bền, chúng tôi đã từng triển khai chương trình bảo đảm số km đi được cho những động cơ có quãng đường vượt quá 30.000 dặm. Kết quả? Hơn 50 động cơ không chỉ đáp ứng tiêu chuẩn này mà còn vượt qua nó, trong đó có một số chiếc đạt quãng đường ấn tượng 50.000 dặm. Hiệu suất thực tế này phản ánh sự tập trung không ngừng của chúng tôi vào độ tin cậy và thúc đẩy chúng tôi liên tục đổi mới để có các giải pháp động cơ thông minh hơn, mạnh mẽ hơn.​
Hãy tin tưởng vào thương hiệu nổi tiếng toàn cầu như Hengtai Motor và HENTACH Motor—nơi cải tiến bánh răng thép được cấp bằng sáng chế đáp ứng được độ bền đã được chứng minh.

Được chứng nhận bởi Chứng chỉ